产品中心

PRODUCT

产品中心

JLS计量箱

如果您有任何问题可以联系我们!
联系我们

电话:13772120800

扫一扫,加我为朋友
  • 详细信息
详细信息
高压计量箱的产品概述

JLS-10高压计量箱为户外油浸式计量箱,适用于50Hz,6-10kV三相电力线路中,作为电能计量用,尤其适用于用电负荷变化大的工作场合。油式瓷瓶计量箱应用年限较长,技术成熟,性能稳定,运行可靠,价格低廉。
1、电流互感器精度为0.2S级,双变比,适用于负荷变化大的情况。
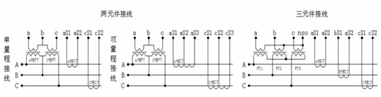
2、三元件计量箱A、B、C三相均装有电压、电流互感器,适用于三相负荷不平衡易造成缺相的线路。

高压计量箱的使用环境

1、安装场所:户外
2、环境唯独:-25℃至+40℃
3、海拔:海拔高度不超过2000米
4、无腐蚀性气体;爆炸易燃的环境。

高压计量箱的结构特点

变压器油绝缘性能好,散热好,皮实耐用。产品分为两元件和三元件两种。两元件中A、C两相装有电压、电流互感器,电压互感器为V/V接线。二次电压为100V。配用三相三线电能表。三元件中A、B、C三相均有电压、电流互感器,电压互感器为Y/Y接线。接线二次相电压为400/√3可选用380V三相四线电能表。也可选用三块220V民用电能表分别计费,再累加电量。另一种二次电压为100/√3,可选用100V的三相四线电能表。

高压计量箱接线原理图

相关产品
联系我们
扫一扫,加我为朋友
© 西安宝光电力科技有限公司   陕ICP备2022009649号   XML   网站地图   网站制作维护:传信网络

在线
QQ

点击这里给我发消息 625887399
在线QQ

微信
咨询

扫一扫,加我为朋友
扫一扫,加我为朋友

服务
热线

13772120800
服务热线